Thermokon

Fragen zum Thema BUS

Wie verbinde ich ein BACnet MS/TP Netzwerk mit einem PC?

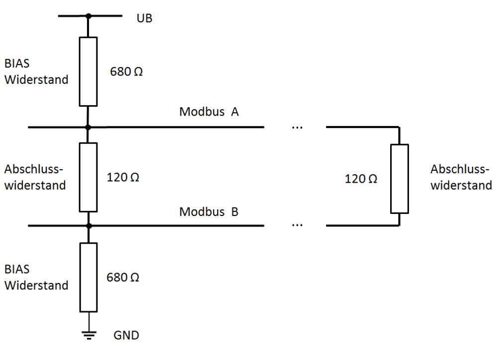
Warum funktioniert mein Modbus Gerät nicht?

Was ist die Baudrate und die Parität?

Wie viele Modbus Teilnehmer sind an einem Strang maximal möglich?

Warum lässt sich keine Verbindung zu meinem Modbus Gerät aufbauen?

Wie verbinde ich ein Modbus Gerät mit einem PC?

Was bedeutet die Meldung "Illegal Data Value"?

Top